
14
105398
PORTABLE FORCED AIR HEATERS
R
1
2
3
4
5
6
7
8
9
10
11
12
13
16
9-2
9-1
9-3
9-4
9-5
17
18
19
20
21
22
23
24
26
27
28
29
30
34
35
36
32
33
9-6
15
14
31
42
41
43
40
38
37
39
25
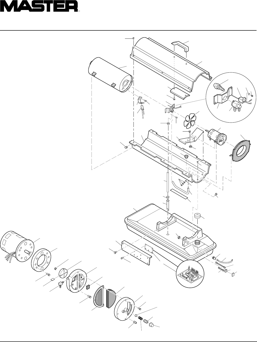
ILLUSTRATED
PARTS
BREAKDOWN
B35CEL MODEL
Motor and Pump Assembly
12-11
12-18
12-17
12-16
12-15
12-14
12-13
12-12
12-10
12-1
12-3
12-4
12-5
12-6
12-7
12-8
12-9
12-2
12-19
Comentários a estes Manuais